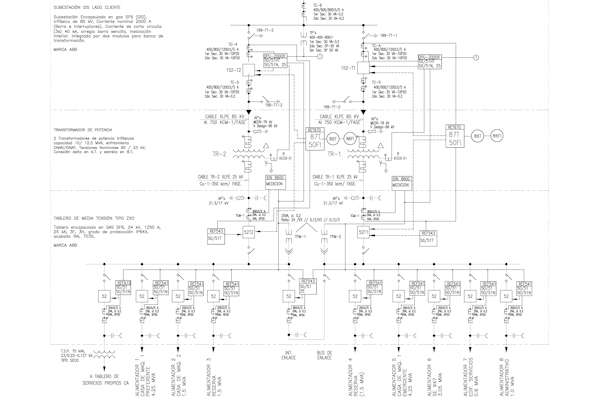
DISEÑO Y ESTUDIOS

Análisis, diseño, cálculos y desarrollo de estudios eléctricos bajo las más modernas herramientas, equipos y software.

  • Modelado y Estudios de Sistemas
  • Estudio de Corto Circuito
  • Coordinación de Protecciones
  • Sistemas de Protección
  • Sistemas de Sincronización
  • Sistemas de Detección de Arco Eléctrico
  • Sistema de Transferencia Automática/Manual
  • Coordinación de aislamiento
  • Arco Eléctrico
  • Sistema de Tierras
  • Compensación de reactivos
  • Dimensionamiento de Equipos
  • Realización de Especificaciones técnicas
ISPS
ISPS
ISPS